Wednesday, 1 September 2021

Download 00 Sebring Ac Fuse Diagram Background

Download 00 Sebring Ac Fuse Diagram
Background
. 2003 crysler sebring fuse box diagram u2013 auto fuse box diagram. Fuso truck fuses box schema.

01 06 Dodge Stratus And Chrysler Sebring Fuse Box Diagram
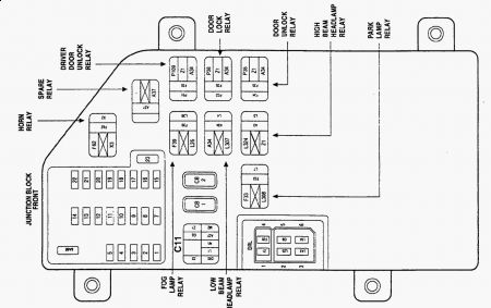
01 06 Dodge Stratus And Chrysler Sebring Fuse Box Diagram from fotohostingtv.ru
We have gathered numerous images, with any luck this photo is useful for you, as well as aid you in finding the solution you are trying to find. Fuso truck fuses box schema. Cigar lighter (power outlet) fuses in the chrysler sebring are the fuse №2 in the engine compartment fuse box (sedan) or fuses №4, 9 and 16 in the interior fuse box.

Schema de 00 sebring ac fuse diagram.

We have gathered numerous images, with any luck this photo is useful for you, as well as aid you in finding the solution you are trying to find. Where are the fuses located in a chrysler sebring? We have gathered numerous images, with any luck this photo is useful for you, as well as aid you in finding the solution you are trying to find. When did the second generation chrysler sebring come out?


No comments:

Post a Comment

View 01 Grand Prix Fuse Diagram Pics

View 01 Grand Prix Fuse Diagram Pics . Here you will find fuse box diagrams of pontiac grand prix 2004. Diagram 01 grand prix fuse dia...